温室气体核查报告

作者:江苏荟轩精工股份有限公司浏览人数:66次 更新时间:2025年08月12日

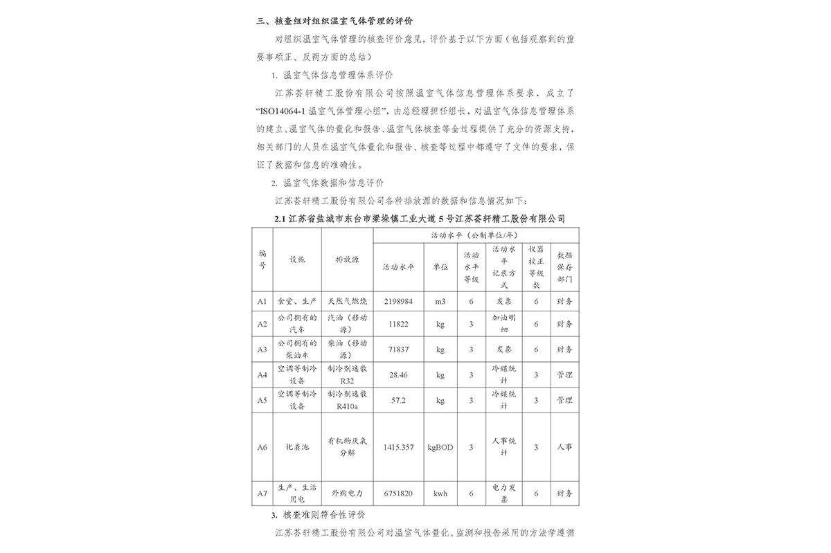
江苏荟轩精工股份有限公司-温室气体核查报告_页面_2-1.jpg

江苏荟轩精工股份有限公司-温室气体核查报告_页面_3-1.jpg

江苏荟轩精工股份有限公司-温室气体核查报告_页面_4-1.jpg

江苏荟轩精工股份有限公司-温室气体核查报告_页面_5-1.jpg

江苏荟轩精工股份有限公司-温室气体核查报告_页面_6-1.jpg

江苏荟轩精工股份有限公司-温室气体核查报告_页面_7-1.jpg

江苏荟轩精工股份有限公司-温室气体核查报告_页面_8-1.jpg

江苏荟轩精工股份有限公司-温室气体核查报告_页面_9-1.jpg

详情请看附件:

温室气体核查报告.pdf


网站导航

产品列表

联系我们

联系人:138-9182-3104

地 址:江苏省盐城市东台市梁垛镇工业大道5号

网 址:http://www.jshxjg.cn


扫一扫 关注我们